
菠萝视频污版网址入口各种型号菠萝福利导航缸气路连接图/动作顺序
一、JRA标准型菠萝福利导航缸气路连接图/动作顺序
1、JRA标准型菠萝福利导航缸气路连接图

2、JRA标准型菠萝福利导航缸动作顺序
(1)、电磁阀DT1通电,气压作用在储油筒液压油表面,气缸段总行程开始向下作位移;
(2)、活塞杆位移遇到阻力,DT1保持,此时DT2通电,增压段总成开始作位移;
(3)、根据加工工件保压需要,DT2断电,此时增压段总成复位,增压缸卸压;
(4)、DT1断电,气缸段总成复位,液压油回位到储油筒,些时一个动作循环完成。
二、JRAA水平安装型菠萝福利导航缸气路连接图/动作顺序
1、JRAA水平安装型菠萝福利导航缸气路连接图

2、JRAA水平安装型菠萝福利导航缸动作顺序
(1)、电磁阀DT1通电,气压作用在储油筒液压油表面,气缸段总行程开始向下作位移;
(2)、活塞杆位移遇到阻力,DT1保持,此时DT2通电,增压段总成开始作位移;
(3)、根据加工工件保压需要,DT2断电,此时增压段总成复位,增压缸卸压;
(4)、DT1断电,气缸段总成复位,液压油回位到储油筒,些时一个动作循环完成。
三、JRB力行程可调型菠萝福利导航缸气路连接图/动作顺序
1、JRB力行程可调型菠萝福利导航缸气路连接图

2、JRB力行程可调型菠萝福利导航缸动作顺序
(1)、电磁阀DT1通电,气压作用在储油筒液压油表面,气缸段总行程开始向下作位移;
(2)、活塞杆位移遇到阻力,DT1保持,此时DT2通电,增压段总成开始作位移;
(3)、根据加工工件保压需要,DT2断电,此时增压段总成复位,增压缸卸压;
(4)、DT1断电,气缸段总成复位,液压油回位到储油筒,些时一个动作循环完成。
四、JRC总行程可调型菠萝福利导航缸气路连接图/动作顺序
1、JRC总行程可调型菠萝福利导航缸气路连接图

2、JRC总行程可调型菠萝福利导航缸动作顺序
(1)、电磁阀DT1通电,气压作用在储油筒液压油表面,气缸段总行程开始向下作位移;
(2)、活塞杆位移遇到阻力,DT1保持,此时DT2通电,增压段总成开始作位移;
(3)、根据加工工件保压需要,DT2断电,此时增压段总成复位,增压缸卸压;
(4)、DT1断电,气缸段总成复位,液压油回位到储油筒,些时一个动作循环完成。
五、JRD总/力行程可调型菠萝福利导航缸气路连接图/动作顺序
1、JRD总/力行程可调菠萝福利导航缸气路连接图

2、JRD总/力行程可调菠萝福利导航缸动作顺序
(1)、电磁阀DT1通电,气压作用在储油筒液压油表面,气缸段总行程开始向下作位移;
(2)、活塞杆位移遇到阻力,DT1保持,此时DT2通电,增压段总成开始作位移;
(3)、根据加工工件保压需要,DT2断电,此时增压段总成复位,增压缸卸压;
(4)、DT1断电,气缸段总成复位,液压油回位到储油筒,些时一个动作循环完成。
六、JRE直压式菠萝福利导航缸气路连接图/动作顺序
1、JRE直压式菠萝福利导航缸气路连接图

2、JRE直压式菠萝福利导航缸动作顺序
(1)、增压缸按照上图气路连接图接好之后,打开气源,此时增压缸处于回位状态;
(2)、电磁阀DT1通电,切换气路使气压作用于气缸活塞使气缸活塞开始位移,直接开始直压;
(3)、根据加工工件保压需要,调节保压时间,电磁阀DT1断电,再次切换气路,使气缸和油缸同时回位达到初始状态。至此一个动作循环完毕。
七、JRF快速单列式菠萝福利导航缸气路连接图/动作顺序
1、JRF快速单列式菠萝福利导航缸气路连接图

2、JRF快速单列式菠萝福利导航缸动作顺序
(1)、电磁阀DT1通电,气压作用在储油筒液压油表面,气缸段总行程开始向下作位移;
(2)、活塞杆位移遇到阻力,DT1保持,此时DT2通电,增压段总成开始作位移;
(3)、根据加工工件保压需要,DT2断电,此时增压段总成复位,增压缸卸压;
(4)、DT1断电,气缸段总成复位,液压油回位到储油筒,些时一个动作循环完成。
八、JRG复合式型菠萝福利导航缸气路连接图/动作顺序
1、JRG复合式菠萝福利导航缸气路连接图

2、JRG复合式菠萝福利导航缸动作顺序
(1)、电磁阀DT1通电,气压作用在储油筒液压油表面,气缸段总行程开始向下作位移;
(2)、活塞杆位移遇到阻力,DT1保持,此时DT2通电,增压段总成开始作位移;
(3)、根据加工工件保压需要,DT2断电,此时增压段总成复位,增压缸卸压;
(4)、DT1断电,气缸段总成复位,液压油回位到储油筒,些时一个动作循环完成。
九、JRM快速型菠萝福利导航缸气路连接图/动作顺序
1、JRM快速型菠萝福利导航缸气路连接图

2、JRM快速型菠萝福利导航缸动作顺序
(1)、电磁阀DT1通电,气压作用在储油筒液压油表面,气缸段总行程开始向下作位移;
(2)、活塞杆位移遇到阻力,DT1保持,此时DT2通电,增压段总成开始作位移;
(3)、根据加工工件保压需要,DT2断电,此时增压段总成复位,增压缸卸压;
(4)、DT1断电,气缸段总成复位,液压油回位到储油筒,些时一个动作循环完成。
十、JRO预压式菠萝福利导航缸气路连接图/动作顺序
1、JRO预压式菠萝福利导航缸气路连接图

2、JRO预压式菠萝福利导航缸动作顺序
(1)、电磁阀DT1通电,气压作用在储油筒液压油表面,气缸段总行程开始向下作位移;
(2)、活塞杆位移遇到阻力,DT1保持,此时DT2通电,增压段总成开始作位移;
(3)、根据加工工件保压需要,DT2断电,此时增压段总成复位,增压缸卸压;
(4)、DT1断电,气缸段总成复位,液压油回位到储油筒,些时一个动作循环完成。
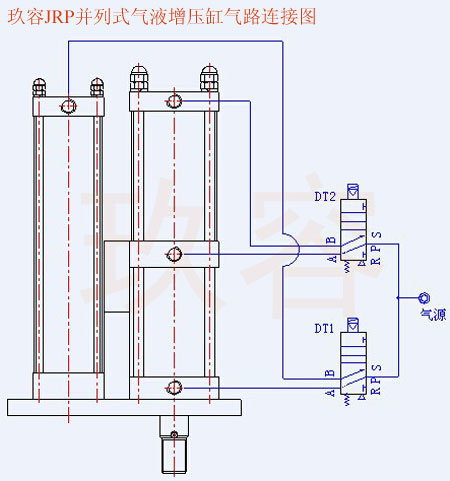
十一、JRP并列式菠萝福利导航缸气路连接图/动作顺序
1、JRP并列式菠萝福利导航缸气路连接图

2、JRP并列式菠萝福利导航缸动作顺序
(1)、电磁阀DT1通电,气压作用在储油筒液压油表面,气缸段总行程开始向下作位移;
(2)、活塞杆位移遇到阻力,DT1保持,此时DT2通电,增压段总成开始作位移;
(3)、根据加工工件保压需要,DT2断电,此时增压段总成复位,增压缸卸压;
(4)、DT1断电,气缸段总成复位,液压油回位到储油筒,些时一个动作循环完成。
十二、JRT倒装型菠萝福利导航缸气路连接图/动作顺序
1、JRT倒装型菠萝福利导航缸气路连接图

2、JRT倒装型菠萝福利导航缸动作顺序
(1)、电磁阀DT1通电,气压作用在储油筒液压油表面,气缸段总行程开始向下作位移;
(2)、活塞杆位移遇到阻力,DT1保持,此时DT2通电,增压段总成开始作位移;
(3)、根据加工工件保压需要,DT2断电,此时增压段总成复位,增压缸卸压;
(4)、DT1断电,气缸段总成复位,液压油回位到储油筒,些时一个动作循环完成。
