欢迎来访东莞菠萝视频污版网址入口菠萝福利导航缸厂家品牌网站!

菠萝视频污版网址入口32年专注气动液压设备

ISO9001认证菠萝福利导航缸厂家
全国定制咨询热线
0769-23103048
菠萝福利导航缸设备行业优选品牌!

产品中心

Contact Hotline

0769-23103048 0769-23103048
联系菠萝视频污版网址入口

免费热线:400-833-2669

固定电话:0769-23103048(杨小姐)

固定电话:0769-22013249(杨先生)

公司传真:0769-23109526

  • 产品名称:大2倍空气增压泵
  • ☆、对工厂气路系统进行增压、保压、保证生产用气稳定运行。

    ☆、满足所有设备对高压力的需求。

    ☆、阀门、管件、仪器仪表、压力容器等的耐压和爆破作测试。

    ☆、安全阀门校定。

    ☆、高压气体系统和仪器的测试。

    菠萝视频污版网址入口空气增压泵厂家直销,价格从优,可非标定制!

在线联系

大2倍空气增压泵

【大2倍空气增压泵产品详解:


大2倍空气增压泵JRN-A-L2B-E型外观新颖、使用方便,操作安全,自动保压,与小2倍空气增压泵JRN-A-L2-E的区别在于高压后流量,前者为80升/min,后者40升/min。倍数越大流量越小,还望广大新老客户知晓。

【大2倍空气增压泵型号详解:

大2倍空气增压泵型号详解
   
【空气增压泵工作原理:

空气增压泵是以压缩空气为动力源的一种活塞式增压泵,当进气时增压气控阀的阀芯往复切换工作,控制增压泵活塞以极快的速度作往复动作,随着输出压力的增高,活塞的往复速度减慢直至停止,此时,增压泵输出的压力恒定,能量消耗最低,各部件停止工作;无论何种原因造成保压回路压力下降,增压泵将自动启动,补充泄露压力,保持回路压力恒定。
空气增压泵工作原理图

【大2倍空气增压泵产品特点:

   1、使用方便:无需任何电源,利用压缩空气作为动力源对压缩空气进行增压,使出口压力达到2倍进气压压力。通过调整进气压力,可以很方便地获得所需压力。
   2、自动保压:当出口压力达到预设定压力值时,空气增压泵自动停止工作,节约能源;当出口压力低于预设定压力值时,自动补压,保持压力恒定,补压时无额外能量消耗,环保节能。
   3、操作安全:采用气动驱动,无电弧及火花,适用于易燃易爆的气体及场合。
   4、外观新颖:本产品具有结构紧凑新颖,运行平稳,气体使用频率极高的特点。
 
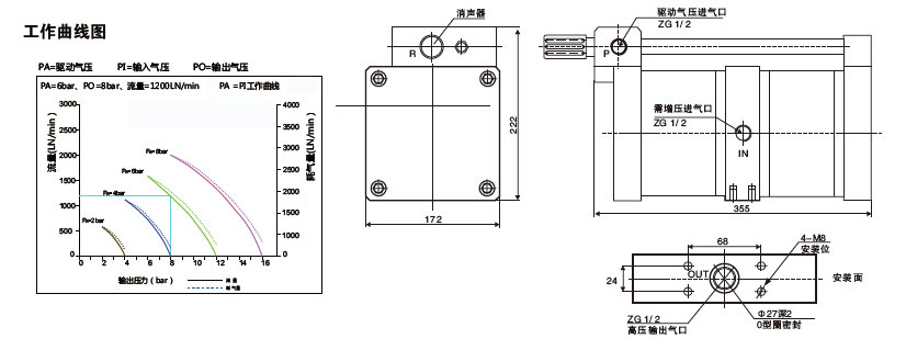
【大2倍空气增压泵外形尺寸图:

大2倍空气增压泵外形尺寸图
大2倍空气增压泵参数指标:

大2倍空气增压泵参数指标
 
 【大2倍空气增压泵产品应用:

   1、对工厂气路系统进行增压、保压、保证生产用气稳定运行。
   2、满足所有设备对高压力的需求。
   3、阀门、管件、仪器仪表、压力容器等的耐压和爆破作测试。
   4、安全阀门校定。
   5、高压气体系统和仪器的测试。

     


关于菠萝视频污版网址入口
  
   东莞市菠萝视频污版网址入口气动液压设备有限公司是一家30年专业研发生产制造菠萝福利导航缸、菠萝福利导航器、菠萝福利导航机、黄色视频下载大菠萝推荐、倍力气缸等气液转化元件之相关高新科技企业,拥有行业内完善的行业综合大菠萝APP下载网址进入在线,帮助过3000多家企业进行了针对性产品定制,服务过上万家客户。

    菠萝视频污版网址入口厂家
 

  司1992年成立于台湾省新竹县。拥有一批资深的研发团队,专业致力于气液转化元件的研发与生产。经多年磨练,现公司研发产品有:菠萝福利导航缸、菠萝福利导航机、气液压力机、菠萝福利导航器、空气增压泵、倍力气缸、电动缸、伺服压力机等系列气动液压设备。该类产品均采用现代先进设备(CNC)制造,配选日本,意大利等知名品牌密封件,其设计新颖,性能独特,所生产产品均能达到“出力大,速度快,精度高,寿命长,无泄漏,节能源”等优点。

菠萝视频污版网址入口优势

菠萝视频污版网址入口4大优势

荣誉资质

菠萝视频污版网址入口公司营业执照质量管理体系认证证书中国菠萝福利导航缸优选品牌
联系菠萝视频污版网址入口

  

  东莞市菠萝视频污版网址入口气动液压设备有限公司

  咨询热线:400-833-2669

  电话:18925544859黄小姐

  传真:0769-23109526

  邮箱:jiurong.good@163.com

  网址:www.pecubibi.com,www.jrzyq.com,www.twjiurong.com

  地址:广东省东莞市东城街道峡口沙岭工业西路21

版权所有@1992年~2023年 东莞市菠萝视频污版网址入口气动液压设备有限公司 东莞菠萝视频污版网址入口菠萝福利导航缸品牌
电话:0769-23103048、0769-22013249、传真:0769-23109526
联系QQ:2850850515(杨小姐)、2850850511(黄小姐)、2850850512(李小姐)、2850850514(秦先生)
东莞菠萝视频污版网址入口菠萝福利导航缸厂家地址:广东省东莞市东城街道峡口沙岭工业西路21号 邮政编码:523115
  • 菠萝视频污版网址入口官方微信
咨询热线:
0769-23103048
邮箱:jiurong.goog@163.com
备案号: 粤ICP备72581879号        粤公网安备: 44190002006970号        版权所有:东莞市菠萝视频污版网址入口气动液压设备有限公司           网站地图
网站地图