欢迎来访东莞菠萝视频污版网址入口菠萝福利导航缸厂家品牌网站!

菠萝视频污版网址入口32年专注气动液压设备

ISO9001认证菠萝福利导航缸厂家
全国定制咨询热线
0769-23103048
菠萝福利导航缸设备行业优选品牌!

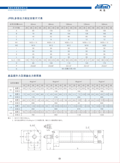
倍力气缸的工作原理

发布时间:2014-07-05

产品特点:
*动作速度快,操作简单方便
*出力大于普通气缸
*适用于:挤压,弯曲,冲孔,成型,铆合,修毛边,装配及打印等作业
*安装方式:任意角度安装
*可接受特殊规格订制
动作原理:
倍力气缸是将一增压缸与一增压气缸作一体式结合。使用纯气压作为动力源,
利用增压器之大小活塞截面积之比及帕斯卡能源守衡原理而工作。将气压之
低压提高十倍供应油压缸使用,从而达到成型的目的。




     菠萝视频污版网址入口增压缸可接受特殊规格订制,绝对的质量保证,更优质的服务体验,
欢迎广大客户来电洽谈,竭诚期待与您合作,服务热线:4008-332-669

版权所有@1992年~2023年 东莞市菠萝视频污版网址入口气动液压设备有限公司 东莞菠萝视频污版网址入口菠萝福利导航缸品牌
电话:0769-23103048、0769-22013249、传真:0769-23109526
联系QQ:2850850515(杨小姐)、2850850511(黄小姐)、2850850512(李小姐)、2850850514(秦先生)
东莞菠萝视频污版网址入口菠萝福利导航缸厂家地址:广东省东莞市东城街道峡口沙岭工业西路21号 邮政编码:523115
  • 菠萝视频污版网址入口官方微信
咨询热线:
0769-23103048
邮箱:jiurong.goog@163.com
备案号: 粤ICP备72581879号        粤公网安备: 44190002006970号        版权所有:东莞市菠萝视频污版网址入口气动液压设备有限公司           网站地图
网站地图